BM S.P.A. - BMM009510525 CHIAVI A T ESAGONALI MASCHIO 2,5 - 009510525

Accedi per visualizzare prezzi e disponibilità
Confezione
5 PZ
EAN
8014230038339
Codice prodotto
BMM009510525
Cod. produttore
009510525
Produttore
BMM
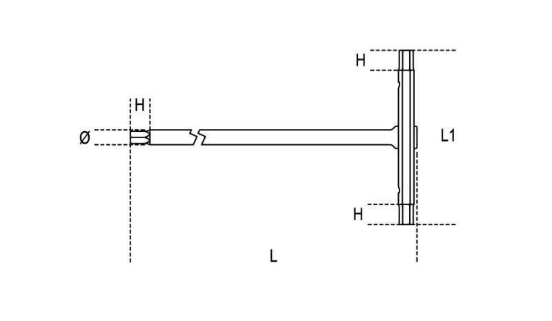
La chiave Beta 951 offre rapidita di manovra, precisione dell'accoppiamento con la vite e flessibilita d'impiego. I continui miglioramenti produttivi portano oggi ad avere una finitura sabbiata ed estremita esagonali a spigolo vivo, che permettono un accoppiamento migliore anche su viti rovinate. La marcatura eseguita a laser permette di aumentare la resistenza dello stelo. Caratteristiche:? Concepita per sviluppare coppie elevate? Estremita esagonali calibrate per un perfetto accoppiamento con la vite? Astina scorrevole esagonale regolabile




