SCHNEIDER ELECTRIC - SNR50438 TORO CHIUSO PA DIAMETRO 50MM - 50438

Accedi per visualizzare prezzi e disponibilità
Caratteristiche principali
Tipologia - Trasformatore di corrente totale
Corrente nominale primaria In - 85 A
Corrente nominale secondaria - 0.085 A
Tarato - sì
Con protezione dal contatto - sì
Confezione
1 PZ
Valutazione del prodotto verde
Impronta di carbonio del prodotto
15 kg CO₂-eq
Dichiarazione del fornitore
CO₂eq del fornitore, a livello di prodotto.
Dichiarazione di esclusione di responsabilità di Sonepar
Prima di fare riferimento al prodotto carbonio, si prega di leggere attentamente i seguenti termini cliccando sui link qui:
Disclaimer & Metodologia
EAN
3303430504382
Codice prodotto
SNR50438
Cod. produttore
50438
Produttore
SNR
Tipologia:
Trasformatore di corrente totale
Corrente nominale primaria In:
85 A
Corrente nominale secondaria:
0.085 A
Tarato:
sì
Con protezione dal contatto:
sì
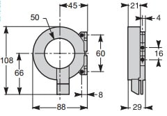
Diametro dell'apertura:
50 mm
Fissaggio a scatto:
sì
Con guida in rame:
no
Collegamento secondario:
Raccordo a innesto
Numero di ingressi primari:
4



