SCHNEIDER ELECTRIC - SNR31114 INS630 FISSO ANT 3P MAN NERA - 31114

Accedi per visualizzare prezzi e disponibilità
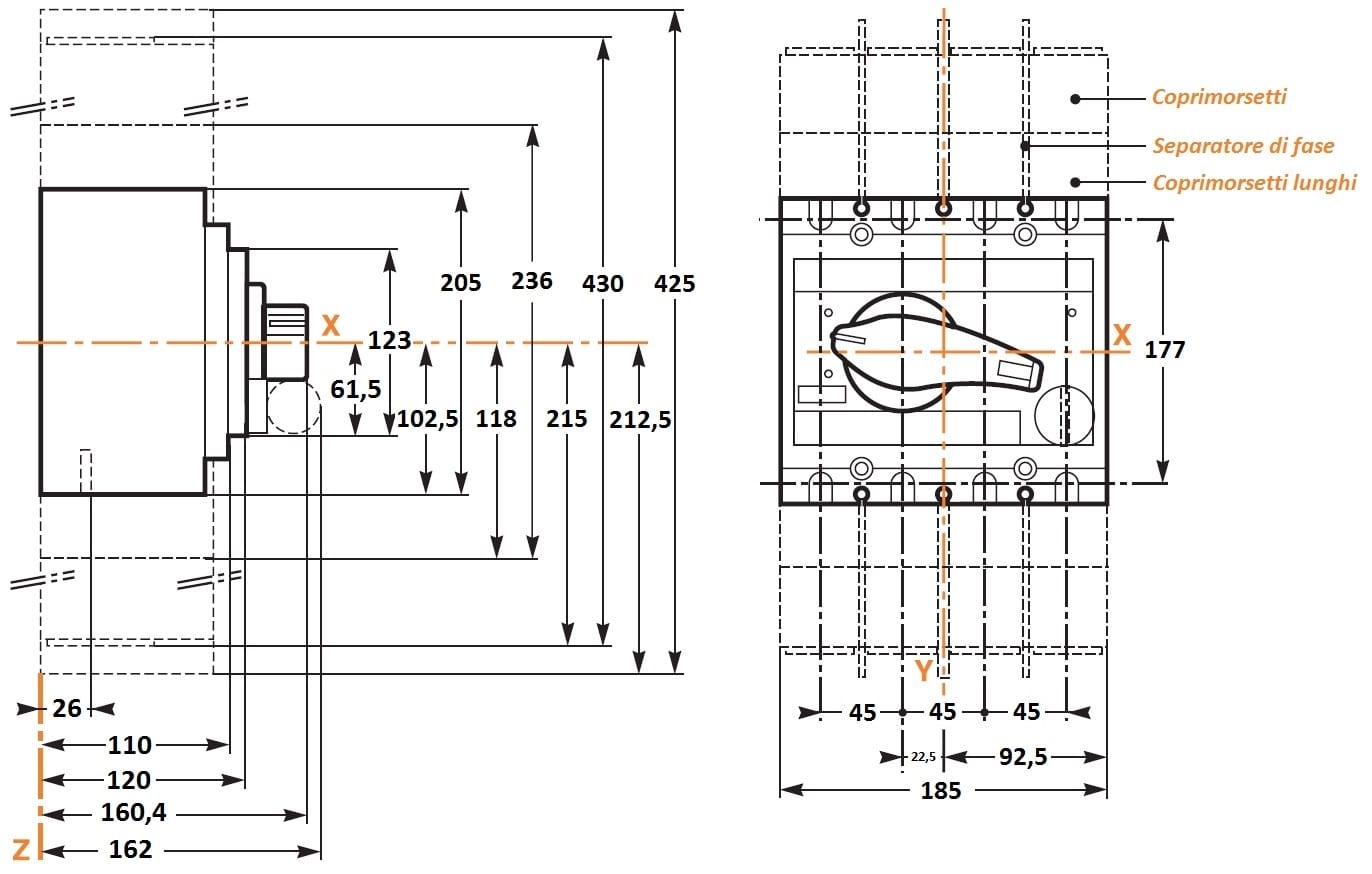
Caratteristiche principali
Esecuzione come interruttore di sicurezza - no
Max. tensione d'esercizio nominale Ue per AC - 690 V
Corrente nominale permanente Iu - 630 A
Potenza d'esercizio nominale per AC-23, 400V - 315 kW
Numero di poli - 3
Confezione
1 PZ
Valutazione del prodotto verde
Impronta di carbonio del prodotto
866 kg CO₂-eq
Dichiarazione del fornitore
CO₂eq del fornitore, a livello di prodotto.
Dichiarazione di esclusione di responsabilità di Sonepar
Prima di fare riferimento al prodotto carbonio, si prega di leggere attentamente i seguenti termini cliccando sui link qui:
Disclaimer & Metodologia
EAN
3303430311140
Codice prodotto
SNR31114
Cod. produttore
31114
Produttore
SNR
Esecuzione come interruttore di sicurezza:
no
Max. tensione d'esercizio nominale Ue per AC:
690 V
Corrente nominale permanente Iu:
630 A
Potenza d'esercizio nominale per AC-23, 400V:
315 kW
Numero di poli:
3
Adatto per montaggio a pavimento:
sì
Adatto per montaggio distributore:
no
Tipologia di azionamento:
Manopola rotativa lunga
Tipo di collegamento circuito elettrico principale:
Raccordo a vite
Grado di protezione (IP), lato frontale:
IP40



