AMBIENTE DI TEST / TEST ENVIROMENT

pagina iniziale

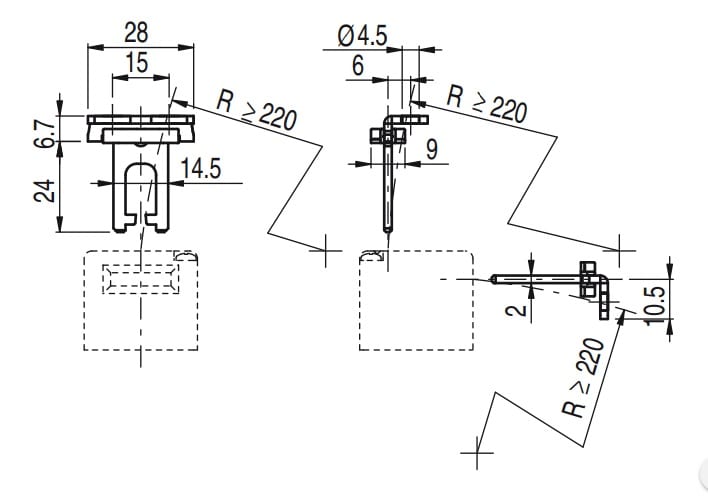
PIZZATO ELETTRICA S. - PZZVF KEYD1 ATTUATORE PER SERIE FR FX FK FW - VF KEYD1

copiacopia

Accedi per visualizzare prezzi e disponibilità

Confezione

  • 1 PZ

EAN

8018851154669

Codice prodotto

PZZVF KEYD1

Cod. produttore

VF KEYD1

Produttore

PZZ

Attuatore per serie FR-FM-FX-FZ-FK-FW, Azionatore: Piegato.