AMBIENTE DI TEST / TEST ENVIROMENT

pagina iniziale

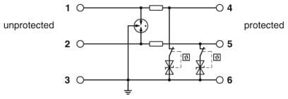
PHOENIX CONTACT - PHC2908203 TTC-6P-2X1-48DC-UT-I SCARICATORE - 2908203

copiacopia

Accedi per visualizzare prezzi e disponibilità

Caratteristiche principali

  • Tensione nominale DC - 48...48 V

  • Tensione permanente DC max. - 53 V

  • Corrente impulsiva di dispersione nominale (8/20) - 5 kA

  • Corrente di carico nominale - 0.22 A

  • Livello di protezione filo/terra - 80 V

Confezione

  • 1 PZ

EAN

4055626282886

Codice prodotto

PHC2908203

Cod. produttore

2908203

Produttore

PHC

Tensione nominale DC:

48...48 V

Tensione permanente DC max.:

53 V

Corrente impulsiva di dispersione nominale (8/20):

5 kA

Corrente di carico nominale:

0.22 A

Livello di protezione filo/terra:

80 V

Frequenza limite:

1.7 MHz

Tipo di montaggio:

Altro

Collegamento 1:

Morsetto

Monitoraggio deflettore:

Con contatto telecomunicazioni:

no

Segnalazione nell'apparecchio:

Ottico

Esecuzione antideflagrante testata:

no

Installazione a ingombro ridotto grazie allo spessore compatto di soli 6,2 mm. Segnalazione senza energia ausiliaria aggiuntiva grazie all'indicatore di stato meccanico. Il modulo di alimentazione opzionale monitora fino a 40 articoli senza cablaggio aggiuntivo. Nessuna interferenza nel segnale durante le operazioni di manutenzione grazie all'inserzione ed estrazione a impedenza neutra. Sostituzioni senza errori delle spine di protezione grazie alla codifica. Comportamento sicuro in caso di sovraccarico grazie al dispositivo di separazione integrato.