PHOENIX CONTACT - PHC2702760 GW DEVICE SERVER 1E/2DB9 CONVERT. SERIAL - 2702760

Accedi per visualizzare prezzi e disponibilità
Confezione
1 PZ
EAN
4055626339160
Codice prodotto
PHC2702760
Cod. produttore
2702760
Produttore
PHC
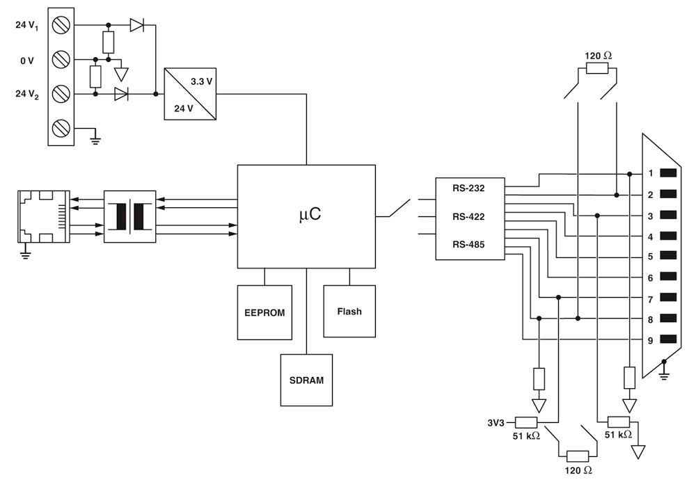
Server unità seriali per la conversione dei dati seriali (RS-232/422/485) in dati Ethernet (RJ45). Supporta i protocolli TCP e UDP. È possibile scaricare software di reindirizzamento COM Port e driver Windows. Comprende una connessione RJ45 e due connessioni D-SUB a 9 poli.


