AMBIENTE DI TEST / TEST ENVIROMENT

pagina iniziale

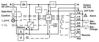
PHOENIX CONTACT - PHC2320254 QUINT-UPS/ 24DC/ 24DC/ 5/1.3AH ALIMENTAT - 2320254

copiacopia

Accedi per visualizzare prezzi e disponibilità

Confezione

  • 1 PZ

EAN

4046356554145

Codice prodotto

PHC2320254

Cod. produttore

2320254

Produttore

PHC

Affidabilità di attivazione in presenza di carichi pesanti grazie alla riserva di potenza statica POWER BOOST fino a 1,5 volte la potenza nominale. Intervento rapido degli interruttori magnetotermici standard grazie alla tecnologia SFB (Selective Fuse Breaking Technology). Impiego universale dell'apparecch. grazie al vasto pacchetto di omologazioni e alle numerose possibilità di parametrizzaz. e diagnostica.