AMBIENTE DI TEST / TEST ENVIROMENT

pagina iniziale

PHOENIX CONTACT - PHC1619909 CA-12P1NC22S00 CONNETTORE PER APPARECCHI - 1619909

copiacopia

Accedi per visualizzare prezzi e disponibilità

Caratteristiche principali

  • Tipo di contatto a innesto, lato esterno - Maschio (connettore)

  • Numero di poli - 12

  • Corrente nominale In - 8 A

  • Con collegamento schermato -

  • Con collegamento PE - no

Confezione

  • 1 PZ

EAN

4046356820585

Codice prodotto

PHC1619909

Cod. produttore

1619909

Produttore

PHC

Tipo di contatto a innesto, lato esterno:

Maschio (connettore)

Numero di poli:

12

Corrente nominale In:

8 A

Con collegamento schermato:

Con collegamento PE:

no

Materiale del corpo:

Zinco

Materiale del rivestimento di contatto:

Altro

Temperatura d'esercizio:

-40...125 °C

Tensione nominale:

74 V

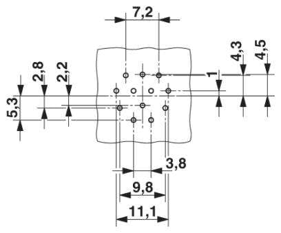
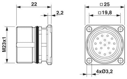
M23, Connettore per apparecchi anteriore, applicazione: Segnale, serie: CA, diritto, schermato: sì, per bloccaggio standard e SPEEDCON, Numero di poli: 12, Senso di rotazione: standard, tipo di connessione del contatto: Spina, Connessione a saldare, Guarnizione piatta, misura flangia: 25 mm x 25 mm, codifica: N. Questo prodotto è in fase di dismissione. Questo prodotto non può più essere preso in considerazione per nuovi progetti. Per eventuali alternative, contattare il proprio rappresentante commerciale.