AMBIENTE DI TEST / TEST ENVIROMENT

pagina iniziale

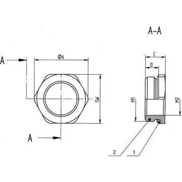
LAPP ITALIA SRL - LPP52101969 SKINDICHT MR-M 6KT. 32X1,5/16X1,5+O-RING - 52101969

copiacopia

Accedi per visualizzare prezzi e disponibilità

Caratteristiche principali

  • Tipo di filettatura - Metrico

  • Dimensione nominale della filettatura metrica/PG - 32

  • Lunghezza della filettatura - 8 mm

  • Apertura chiave - 36 mm

  • Materiale - Metallo

Confezione

  • 25 PZ

Valutazione del prodotto verde

Voto green

Impronta di carbonio del prodotto

1 kg CO₂eq

Stima Sonepar

EAN

4044773471854

Codice prodotto

LPP52101969

Cod. produttore

52101969

Produttore

LPP

Tipo di filettatura:

Metrico

Dimensione nominale della filettatura metrica/PG:

32

Lunghezza della filettatura:

8 mm

Apertura chiave:

36 mm

Materiale:

Metallo

Qualità del materiale:

Ottone

Protezione della superficie:

Nichelato

Senza alogeni:

no

Rinforzato con fibra di vetro:

no

Antiurto:

no

Protezione contro la piegatura:

no

Con controdado:

no

Tipologia:

Diritto

Temperatura di impiego:

-30...100 °C

Esecuzione antideflagrante testata:

no

SKINDICHT® MR-M, riduttore, consente l'impiego di pressacavi con filettatura più piccola dei fori filettati presenti