ITALWEBER SPA - ITW1500663 FUS NH00C KOMBI GG 63A 500V - 1500663

Accedi per visualizzare prezzi e disponibilità
Caratteristiche principali
Tipo di costruzione del fusibile secondo IEC 60269 - HPC00
Corrente nominale - 63 A
Classe di funzionamento - gG
Esecuzione indicatore - Indicatore combinato
Confezione
1 PZ
EAN
8024873090717
Codice prodotto
ITW1500663
Cod. produttore
1500663
Produttore
ITW
Tipo di costruzione del fusibile secondo IEC 60269:
HPC00
Corrente nominale:
63 A
Classe di funzionamento:
gG
Esecuzione indicatore:
Indicatore combinato
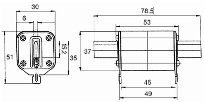
Corpo in steatite ad alta resistenza termica e meccanica. Gli elementi fusibili di rame o rame argentato sono saldati alle lame di contatto, inseriti nel corpo fusibile chiuso con guarnizioni e placche di aggancio, il tutto è riempito con sabbia di quarzo. I fusibili NH Kombi sono dotati di doppio dispositivo di segnalazione intervento posto nella parte centrale e nella parte superiore. Potere di interruzione: 100/120kA. Fusibili NH kombi e NH/I 500V - Tipo gG. Grandezza : NH-00C



