AMBIENTE DI TEST / TEST ENVIROMENT

pagina iniziale

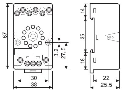
FINDER S.P.A. - FIN9021SMA ZOCCOLO CON MORSETTI A BUSSOLA 3P S.60 - 9021SMA

copiacopia

Accedi per visualizzare prezzi e disponibilità

Caratteristiche principali

  • Esecuzione del collegamento elettrico - Raccordo a vite

  • Tipo di montaggio - Guida DIN (top hat rail) 35 mm

  • Con morsetti amovibili - no

  • Integrazione funzionale possibile - no

  • Numero di pin - 11

Confezione

  • 1 PZ

Valutazione del prodotto verde

Voto green

Impronta di carbonio del prodotto

0,8 kg CO₂eq

Stima Sonepar

EAN

8012823072555

Codice prodotto

FIN9021SMA

Cod. produttore

9021SMA

Produttore

FIN

Esecuzione del collegamento elettrico:

Raccordo a vite

Tipo di montaggio:

Guida DIN (top hat rail) 35 mm

Con morsetti amovibili:

no

Integrazione funzionale possibile:

no

Numero di pin:

11

Larghezza:

38 mm

Altezza:

67 mm

Profondità:

78.7 mm

Zoccolo con morsetti a bussola. Montaggio: Guida DIN (top hat rail) 35 mm (A): 10 Grado di protezione: IP 20 Accessori: Moduli di segnalazione e protezione EMC;ponticello metallico

FINDER S.P.A.

Un prodotto FINDER S.P.A.

Scopri la serie FINDER S.P.A.