CARLO GAVAZZI - GAVRM1A48D75 RELE STAT. MONOF.A PASS.DI ZERO - RM1A48D75

Accedi per visualizzare prezzi e disponibilità
Caratteristiche principali
Adatto per installazione in serie - sì
Numero di fasi - 1
Corrente d'esercizio nominale Ie per AC-1 - 75 A
Confezione
1 PZ
EAN
8001024874365
Codice prodotto
GAVRM1A48D75
Cod. produttore
RM1A48D75
Produttore
GAV
Adatto per installazione in serie:
sì
Numero di fasi:
1
Corrente d'esercizio nominale Ie per AC-1:
75 A
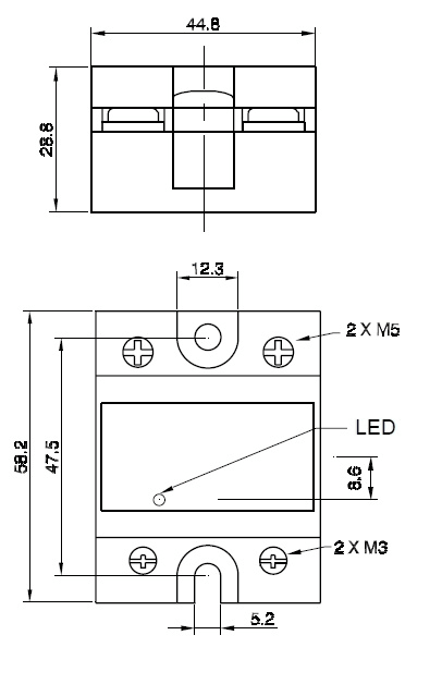
Relè a stato solido monofase, montaggio da retroquadro, indicazione a LED, protezione IP20, CA. Isolamento > 4000 Vrms. • Dimensioni (HxLxP): 58,2x44,8x28,8 mm • Varistore integrato.



