PIZZATO ELETTRICA S. - PZZFP 256 INTERRUTTORE DI POSIZIONE A LEVA GIREVOL - FP 256

Melden Sie sich an, um Preise und Verfügbarkeit anzuzeigen
Haupteigenschaften
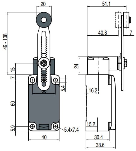
Breite des Sensors - 40 mm
Höhe des Sensors - 38.6 mm
Länge des Sensors - 180.9 mm
Bemessungsbetriebsstrom Ie bei AC-15, 230 V - 6 A
Bemessungsbetriebsstrom Ie bei DC-13, 24 V - 6 A
Packung
1 ST
EAN
8018851029097
Artikelnummer
PZZFP 256
Herstellernummer
FP 256
Hersteller
PZZ
Breite des Sensors:
40 mm
Höhe des Sensors:
38.6 mm
Länge des Sensors:
180.9 mm
Bemessungsbetriebsstrom Ie bei AC-15, 230 V:
6 A
Bemessungsbetriebsstrom Ie bei DC-13, 24 V:
6 A
Bemessungsbetriebsstrom Ie bei DC-13, 125 V:
1.1 A
Bemessungsbetriebsstrom Ie bei DC-13, 230 V:
0.4 A
Schaltfunktion:
Sprungschaltglied
Zwangsöffnung:
nein
Anzahl der Kontakte als Öffner:
2
Anzahl der Kontakte als Schließer:
2
Anzahl der Kontakte als Wechsler:
2
Gehäusebauform:
Quader
Werkstoff des Gehäuses:
Kunststoff
Beschichtung Gehäuse:
sonstige
Ausführung des Betätigungselements:
Schwenkhebel verstellbar
Ausführung des elektrischen Anschlusses:
Kabeleinführung PG
Explosionsschutz-Kategorie für Gas:
ohne
Explosionsschutz-Kategorie für Staub:
ohne
Umgebungstemperatur während des Betriebs:
-25...80 °C
Schutzart (IP):
IP67



