PHOENIX CONTACT - PHC2903242 SCK-M-I-4S-20A SOLARCHECK - 2903242

Melden Sie sich an, um Preise und Verfügbarkeit anzuzeigen
Haupteigenschaften
Anfangswert Messbereich Strom - 0 A
Endwert Messbereich Strom - 20 A
Konfigurationsfunktion integriert - nein
Mit Schaltausgang - nein
Packung
1 ST
EAN
4046356729697
Artikelnummer
PHC2903242
Herstellernummer
2903242
Hersteller
PHC
Anfangswert Messbereich Strom:
0 A
Endwert Messbereich Strom:
20 A
Konfigurationsfunktion integriert:
nein
Mit Schaltausgang:
nein
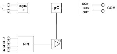
SCK-Messmodul zur Überwachung von Photovoltaikanlagen, 4 x Strommessung bis 20 A, 1 x Digitaleingang, Schnittstelle zum SCK-Kommunikationsmodul



