PHOENIX CONTACT - PHC2320827 QUINT-PS/3AC/48DC/20 ALIMENTATORE - 2320827

Melden Sie sich an, um Preise und Verfügbarkeit anzuzeigen
Packung
1 ST
EAN
4046356547734
Artikelnummer
PHC2320827
Herstellernummer
2320827
Hersteller
PHC
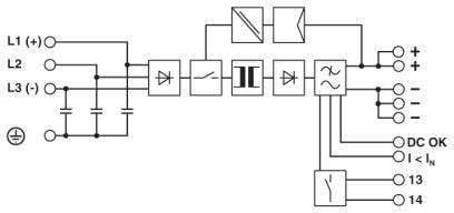
Zuverlässiges Starten schwieriger Lasten mit der statischen Leistungsreserve POWER BOOST mit bis zu 1,5-fachem Nennstrom dauerhaft. Schnelles Auslösen von Standard-Leitungsschutzschaltern mit der dynamischen Leistungsreserve SFB (Selective Fuse Breaking)Technology mit bis zu 6-fachem Nennstrom für 12 ms.



