PHOENIX CONTACT - PHC1605512 SF-5EP1N8AAD00 INSERTO PORTACONT. - 1605512

Melden Sie sich an, um Preise und Verfügbarkeit anzuzeigen
Haupteigenschaften
Polzahl - 6
Packung
1 ST
EAN
4046356182157
Artikelnummer
PHC1605512
Herstellernummer
1605512
Hersteller
PHC
Polzahl:
6
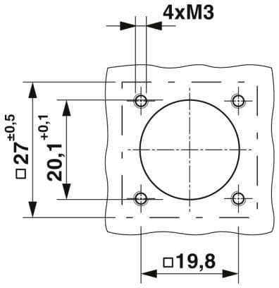
Gerätesteckverbinder, Vorderwand, gewinkelt drehbar, für Standard- und SPEEDCON-Verriegelung, M23, Polzahl: 5+PE, Kontaktart: Stift, Crimpanschluss, O-Ring axial, 4x Ø 3,2, geschirmt: ja, Flanschmaß: 26 mm x 26 mm




