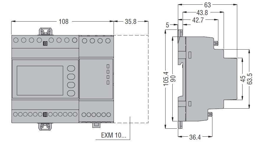
LOVATO - LOVPMVF51 RELE PROT.INTERF. CEI 0-21 6 MODULI - PMVF51

Melden Sie sich an, um Preise und Verfügbarkeit anzuzeigen
Packung
1 ST
EAN
8013975207734
Artikelnummer
LOVPMVF51
Herstellernummer
PMVF51
Hersteller
LOV
Il sistema di protezione di interfaccia (SPI) PMVF 51 è stato progettato secondo la norma CEI 0-21, edizione giugno 2012. È impiegato nel caso di connessione di un sistema di generazione locale in parallelo alla rete di bassa tensione del distributore. Icontrolli riguardano limiti sulla tensione e sulla frequenza. SPI deve intervenire diseccitando un’uscita a relè per effettuare lo sgancio del dispositivo di interfaccia (DDI) nel caso almeno uno tra tensione e frequenza risulti al di fuori dei limiti consentiti.



