LOVATO - LOVDM4T4000 TRASF. AMP. 4000/5A D86MM PRIM. PASSANTE - DM4T4000

Melden Sie sich an, um Preise und Verfügbarkeit anzuzeigen
Haupteigenschaften
Ausführung - sonstige
Primärer Bemessungsstrom - 4000 A
Sekundärer Bemessungsstrom - 5 A
Sekundäre Bemessungsscheinleistung - 50 VA
Genauigkeitsklasse - 0.5
Packung
1 ST
EAN
8013975187272
Artikelnummer
LOVDM4T4000
Herstellernummer
DM4T4000
Hersteller
LOV
Ausführung:
sonstige
Primärer Bemessungsstrom:
4000 A
Sekundärer Bemessungsstrom:
5 A
Sekundäre Bemessungsscheinleistung:
50 VA
Genauigkeitsklasse:
0.5
Überstrombegrenzungsfaktor:
FS 5
Geeicht:
nein
Mit Berührungsschutz:
nein
Höhe der Öffnung:
80...80 mm
Öffnungsbreite:
50...50 mm
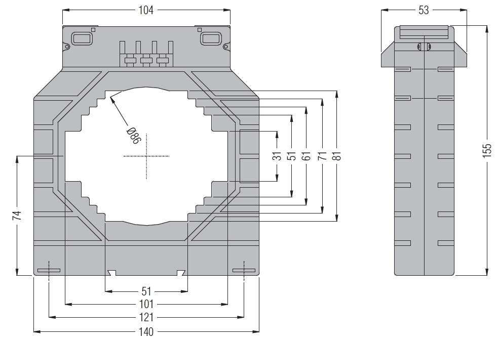
Öffnungsdurchmesser:
86 mm
Schnappbefestigung:
ja
Mit Kupferschiene:
nein
Sekundärer Anschluss:
Schraubanschluss
Anzahl der Primäreingänge:
1



