EATON MANIFACTURING - EAO216543 M22-E2 PIASTRA INCASSO 2 FORI, ALU - 216543

Melden Sie sich an, um Preise und Verfügbarkeit anzuzeigen
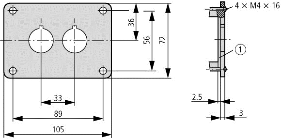
Haupteigenschaften
Breite - 105 mm
Höhe - 72 mm
Werkstoff - Aluminium
Anzahl der Befehlsstellen - 2
Durchmesser Öffnungen - 22 mm
Packung
1 ST
EAN
4015082165437
Artikelnummer
EAO216543
Herstellernummer
216543
Hersteller
EAO
Breite:
105 mm
Höhe:
72 mm
Werkstoff:
Aluminium
Anzahl der Befehlsstellen:
2
Durchmesser Öffnungen:
22 mm
Farbe:
grau
Schutzart (NEMA):
4X, 13
Piastra da incasso, Numero di posizioni: 2, Grado di protezione: IP65, Colore grigio, Valore colore RAL: RAL 7035, Collegamento a SmartWire-DT: no, Nessuna etichetta con legenda disponibile nella disposizione verticale, Grado di protezione solo in combinazione con una custodia adatta e un montaggio corretto., Alluminio anodizzato chiaro, incluso M22-XE...



