DEHN ITALIA S.P.A. - DEH900445 DEHNCORD DCOR L 3P 275 SO LTG - 900445

Melden Sie sich an, um Preise und Verfügbarkeit anzuzeigen
Packung
1 ST
EAN
4013364280380
Artikelnummer
DEH900445
Herstellernummer
900445
Hersteller
DEH
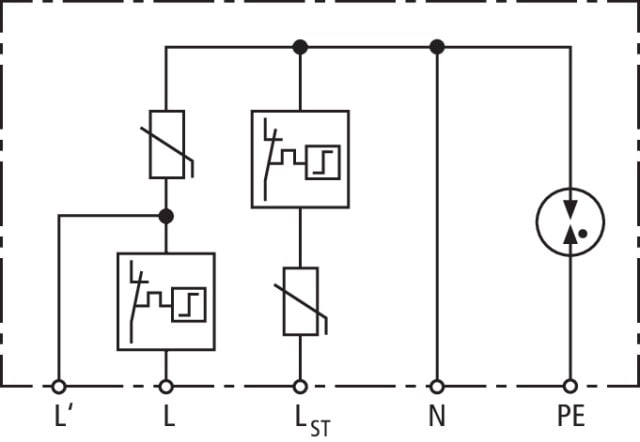
Limitatore di sovratensione tripolare DEHNcord L Tipo 2 secondo CEI EN 61643-11, in costruzione compatta per l'impiego in cassette di trasmissione cavi di luci LED per pali con interruzione del circuito di corrente di carico in caso di errore e protezione della fase di comando. Per l'impiego nel concetto di protezione da fulminazione a zone ai passaggi 0B ? 1 e superiori.





