BOCCHIOTTI S.P.A. - IBOB02587 T1-EN 80X100 G CAN. CABL. - B02587

Melden Sie sich an, um Preise und Verfügbarkeit anzuzeigen
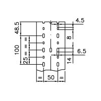
Haupteigenschaften
Höhe - 100 mm
Breite - 80 mm
Länge - 2000 mm
Schlitzabstand - 6 mm
Schlitzbreite - 4 mm
Packung
2 M
EAN
8015892025873
Artikelnummer
IBOB02587
Herstellernummer
B02587
Hersteller
HBO
Höhe:
100 mm
Breite:
80 mm
Länge:
2000 mm
Schlitzabstand:
6 mm
Schlitzbreite:
4 mm
Ausführung der Seitenwand:
geschlitzt
Halogenfrei:
nein
Selbstverlöschend:
ja
Flexibel:
nein
Nutzbarer Querschnitt:
7020 mm²
Befestigungsart:
Bodenlochung
Mit Oberteil:
ja
Farbe:
grau
Canaletta con coestruso morbido modulo 10 feritoia 4 grigio T1-EN 80x100 G




